找回密碼
 註冊
查看: 988|回覆: 13

[宇宙天文] 與月球“靜海石”相同礦石

   火.. [複製鏈接]
簽到
91

113

主題

2470

回帖

100

積分

初級會員

積分
100

論譠元老勳章「友誼大使」勳章百萬富翁勳章高級元老勳章

發表於 2012-1-26 21:49:21 | 顯示全部樓層 |閱讀模式
本帖最後由 堅大碌野 於 2012-1-26 21:50 編輯

一種之前被認為僅存在於月球岩石和隕石中的礦物如今出現在地球上。研究人員在西澳大利亞的6個地方發現了這種物質——在阿波羅11號的宇航員於1969年7月在月球的“靜海”著陸後,它也隨之被稱為“靜海石”。這種礦物僅僅以痕量出現因此並不具備任何經濟價值,但科學家表示,它可以用於測定這些岩石形成的時間。

7.jpg
這是第一批登上月球的宇航員帶回地球的月球礦石,這種曾被認為是月球獨有的岩石,現在在澳大利亞已經發現。

在第一撥阿波羅宇航員返回地球後不久,科學家便分析了他們採集的火成岩——被稱為玄武岩的樣本。這些岩石含有3種之前未知的礦物,其中的兩種——阿姆阿爾柯爾礦石(armalcolite)和三斜鐵輝石(Pyroxferroite),此後10年內陸續在地球上被發現。然而在過去的40年中,第三種礦物——靜海石,除了在月球岩石以及被巨大的撞擊從月球表面激濺而出的隕石之外,別處再無發現。這种红褐色的礦物主要由鐵、矽、鋯和鈦組成,但同時也含有痕量的稀土元素,例如釔。地質學家一直在地球岩石中尋找靜海石,部分緣於對月球樣本的研究表明,精確測量礦物中的放射性同位素比例能夠被用來確定岩石的年代。

1月份出版的《地質學》雜誌上,澳大利亞賓利市科廷大學的地質學家Birger Rasmussen及其同事報告說,他們終於在我們的星球上找到了靜海石。

6.jpg
研究人員對西澳大利亞的火成岩進行了研究,特別是針對那些並未表現出經歷了大規模質變跡象的岩石。這是因為當靜海石暴露在極度的熱量和壓力下,它很容易轉變為其他礦物。研究小組通過由小的岩石樣本激發的高速電子證實了這種礦物的存在。他們指出,微量靜海石以一種非常特有的模式散射電子,與月球礦物樣本產生的結果相匹配。

Rasmussen指出:“靜海石的全部化學性質並沒有那麼獨特,因此之前在地球上一直沒有找到它真得很奇怪。”但是他認為,這種礦物之所以難以被發現可能有幾個原因。首先,靜海石通常很小,大約只有150微米長,甚至還不及人類毛髮的直徑;其次,月球上的岩石比地球上的岩石更為原始,後者可能經歷了一些化學變化,例如被熱流溶解,或被板塊運動帶入地下、歷經高熱與高壓;最後,靜海石很容易被錯認為金紅石——一種在火成岩中常見的顏色類似的礦物。

5.jpg

4.jpg
Rasmussen表示,他對月球岩石進行分析,然後研究地球樣本里的礦物質。他表示,之所以至今仍無人發現靜海石,是因為“沒人像我一樣查得這麼仔細”

3.jpg
Rasmussen表示,這證明這些礦石“一直”都是地球的組成部分,而且類似的化學過程在地球和月球上都能起作用。

Rasmussen強調,只有某些類型的分析手段——例如他們進行的電子衍射分析——才能夠識別靜海石,以及沒有經歷過詳細分析的地球岩石樣本。他指出:“月球樣本是如此珍貴,它們被研究得很透徹。”

並未參與該項研究的美國華盛頓哥倫比亞特區卡內基科學研究所的地球科學家Robert Hazen認為,靜海石到現在才露面並不奇怪。他說,首先,這種礦物僅以微量出現,並且在熔岩於缺氧條件下結晶化的末期才形成。並且靜海石一旦形成,它將無法長期穩定存在於地球表面——水、氧以及活的生物體能夠溶解、消耗,或改變這種礦物質。

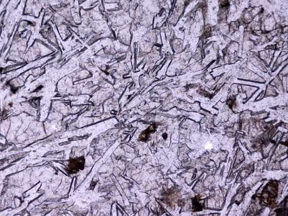
2.jpg
粗玄岩薄片包含靜海石,這種礦物曾被認為是月球獨有的,但是現在人們認為它在地球上很常見

1.jpg
他們在澳大利亞的6個地點發現這種礦石,也許靜海石在地球上“很普遍”

儘管存在這些挑戰,但Rasmussen表示,靜海石如今被發現存在於西澳大利亞的6處分散地點的事實表明,這種礦物在火成岩中的分佈可能比之前所想的更為普遍。


多謝觀看!
發表於 2012-1-26 22:59:31 | 顯示全部樓層
堅大碌野 發表於 2012-1-26 21:49
一種之前被認為僅存在於月球岩石和隕石中的礦物如今出現在地球上。研究人員在西澳大利亞的6個地方發現了這 ...

噢, 這些石代表月亮跟地球有密切的關係嗎?
回覆 讚好 不讚 使用道具

舉報

2387

主題

1萬

回帖

100

積分

初級會員

積分
100

「自然大使」勳章「玄機妙算」勳章「觀星入門」勳章百萬富翁勳章高級元老勳章超級元老勳章傑出成就勳章萬千寵愛勳章論譠元老勳章精華帖王勳章

發表於 2012-1-27 00:56:59 | 顯示全部樓層
唔通月球真是因地球分裂出來的?
回覆 讚好 不讚 使用道具

舉報

5

主題

1萬

回帖

100

積分

初級會員

積分
100

論譠元老勳章高級元老勳章傑出成就勳章

發表於 2012-1-27 08:49:27 | 顯示全部樓層
Great scientific research and discovery for human to understand the power of nature!
回覆 讚好 不讚 使用道具

舉報

800

主題

8945

回帖

110

積分

初級會員

積分
110

百萬富翁勳章萬千寵愛勳章論譠元老勳章高級元老勳章超級元老勳章傑出成就勳章「友誼大使」勳章

發表於 2012-1-27 09:27:48 | 顯示全部樓層
回覆 堅大碌野 的帖子

Good.

They are rare.

I like this news.
回覆 讚好 不讚 使用道具

舉報

0

主題

68

回帖

91

積分

初級會員

積分
91
發表於 2012-1-27 11:18:01 | 顯示全部樓層
有專家曾經講過地球形成初期曾經同月球有撞擊過
回覆 讚好 不讚 使用道具

舉報

63

主題

331

回帖

100

積分

初級會員

積分
100
發表於 2012-1-27 12:25:52 | 顯示全部樓層
回覆 堅大碌野 的帖子

我越来越相信,月亮就是地球分离出去的一部分了。它分离出去后,就形成了太平洋。
回覆 讚好 不讚 使用道具

舉報

33

主題

1萬

回帖

100

積分

初級會員

積分
100

論譠元老勳章百萬富翁勳章高級元老勳章

發表於 2012-1-27 12:26:33 | 顯示全部樓層
回覆 堅大碌野 的帖子

谢谢CHING
石头的知识
回覆 讚好 不讚 使用道具

舉報

202

主題

5萬

回帖

25萬

積分

究極元老

屠殺日本狗

積分
257742

論譠元老勳章高級元老勳章萬千寵愛勳章傑出成就勳章超級元老勳章百萬富翁勳章究極元老勳章141榮譽勳章

發表於 2012-1-27 14:22:48 | 顯示全部樓層
very interesting
回覆 讚好 不讚 使用道具

舉報

22

主題

1萬

回帖

100

積分

初級會員

看冇透人生 !

積分
100

論譠元老勳章百萬富翁勳章「友誼大使」勳章高級元老勳章超級元老勳章萬千寵愛勳章傑出成就勳章

發表於 2012-1-27 18:04:21 | 顯示全部樓層
深奧的大自然. 甚麼都有可能
[/img][/img]
回覆 讚好 不讚 使用道具

舉報

396

主題

1萬

回帖

100

積分

初級會員

積分
100

成家立室勳章「貼圖之星」勳章141紳士勳章「潮流時尚」勳章「友誼大使」勳章百萬富翁勳章高級元老勳章萬千寵愛勳章超級元老勳章傑出成就勳章論譠元老勳章

發表於 2012-1-27 19:40:56 | 顯示全部樓層
太神奇!多謝分享!!
做人最緊要開心=今日唔知聽日事!  揾囡囡只可留精,絕對不可留情!
回覆 讚好 不讚 使用道具

舉報

3

主題

1萬

回帖

100

積分

初級會員

積分
100

熱心捐助勳章百萬富翁勳章高級元老勳章「友誼大使」勳章論譠元老勳章傑出成就勳章超級元老勳章萬千寵愛勳章

發表於 2012-1-27 22:07:47 | 顯示全部樓層
月球又有地球又有
回覆 讚好 不讚 使用道具

舉報

300

主題

5949

回帖

100

積分

初級會員

我係地球人

積分
100

小遊戲王勳章百萬富翁勳章千億富豪勳章萬千寵愛勳章141榮譽勳章論譠元老勳章高級元老勳章超級元老勳章傑出成就勳章「友誼大使」勳章「消閒興趣」分區勳章

發表於 2012-1-28 04:42:52 | 顯示全部樓層
幽靈武士 發表於 2012-1-27 11:18
有專家曾經講過地球形成初期曾經同月球有撞擊過


研究是指在地球形成初期有另一個類地行星與地球撞擊後,才分裂出月球;

原本撞擊後的碎片應該會被拋離,但受到地球引力吸引,碎片再被分裂的月球凝聚,而形成現在的月球。

另有研究說初期月球跟地球距離是十分之接近的,通過阿波邏任務安裝在月球表面上的月球測距儀,測量月球到地球的距離,發現地月距離每年增加38毫米;

這表示月球其實是慢慢地離我們越來越遠,地球也因為能量被吸引了而自轉減慢。

隨著月球越來越遠離地球和地球的自轉速度越來越慢,地球上的潮汐現像也會越來越弱。月地之間的相互影響也越來越小,甚至停止。但這應該是很久很久以後的事了!
【自然奇觀】 * 我 ♥ 大自然
【動漫會社】 * 同好聚集地
一世一香港站歡迎大家,我們會為你搜羅豐富的消閒興趣資訊;
好讓大家安坐家中,透過會員的精心分享,舒緩日常生活的壓力。
回覆 讚好 不讚 使用道具

舉報

300

主題

5949

回帖

100

積分

初級會員

我係地球人

積分
100

小遊戲王勳章百萬富翁勳章千億富豪勳章萬千寵愛勳章141榮譽勳章論譠元老勳章高級元老勳章超級元老勳章傑出成就勳章「友誼大使」勳章「消閒興趣」分區勳章

發表於 2012-1-28 05:00:29 | 顯示全部樓層
zhj8761 發表於 2012-1-27 12:25
回覆 堅大碌野 的帖子

我越来越相信,月亮就是地球分离出去的一部分了。它分离出去后,就形成了太平洋。 ...


太平洋是由於二億四千五百萬年前盤古大陸地殼變動形成的,包圍盤古大陸的海洋稱為泛大洋或盤古大洋,所以太平洋與太初地球的形成沒有關係。

直至今日隨著地球深部的運動,大陸海洋仍在變化之中。

地質學家預測大陸將會再度形成一個超大陸,這個超大陸被稱為終極盤古大陸(Pangea Ultima),預測在二億五千萬年後形成。
【自然奇觀】 * 我 ♥ 大自然
【動漫會社】 * 同好聚集地
一世一香港站歡迎大家,我們會為你搜羅豐富的消閒興趣資訊;
好讓大家安坐家中,透過會員的精心分享,舒緩日常生活的壓力。
回覆 讚好 不讚 使用道具

舉報

您需要登錄後才可以回帖 登錄 | 註冊

本版積分規則

Archiver|聯絡我們|141華人社區

GMT+8, 2025-11-29 20:51

Powered by Discuz! X3.5

© 2001-2025 Discuz! Team.

快速回覆 返回頂部 返回列表