找回密碼
 註冊
查看: 520|回覆: 3

[宇宙天文] 澳洲發現稀有月球礦物質靜海石

  [複製鏈接]
簽到
266

3649

主題

7萬

回帖

-440

積分

乞丐

積分
-440

「廣告/設計」勳章「自然大使」勳章「潮流時尚」勳章特嗜章「神州之星」勳章「痴線佬」勳章「觀星入門」勳章百萬富翁勳章千億富豪勳章萬千寵愛勳章傑出成就勳章141榮譽勳章論譠元老勳章高級元老勳章超級元老勳章究極元老勳章「友誼大使」勳章「貼圖之星」勳章「博學多才」勳章「能言善辯」勳章「動漫一族」勳章「遊藝專家」勳章「飲食健康」勳章群組紀念勳章精華帖王勳章

發表於 2012-1-6 22:29:34 | 顯示全部樓層 |閱讀模式
161647jb3f340m0z61f48z.jpg.thumb.jpg 161649z6l87lr63qz368rl.jpg.thumb.jpg 161652qiirndaam6zmmi5n.jpg.thumb.jpg
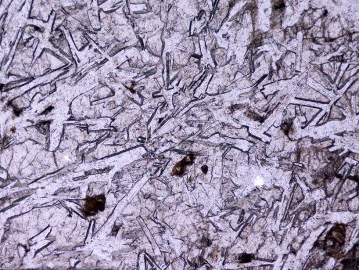
研究人員在澳洲發現一種新型礦物質 ——靜海石,這種礦石是美國阿波羅 11號飛船登陸月球後,太空人帶回 地球的物質,被認為形成於10億年 前,是月球獨有的。該物質最終以美 國阿波羅11號飛船在月球著陸的地 點「靜海」命名,據科學家介紹,目 前發現的靜海石礦物質數量較小且無 經濟價值,但可用於測定其所在岩石 的年代。靜海石是一種表面呈紅褐色 的物質,包含鐵、硅、鋯、鈦等金 屬元素,以及像釔這樣的微量金屬元 素。

0

主題

68

回帖

91

積分

初級會員

積分
91
發表於 2012-1-7 19:13:26 | 顯示全部樓層
仲有冇多d相?有趣wo
回覆 讚好 不讚 使用道具

舉報

27

主題

970

回帖

840

積分

高級會員

積分
840
QQ
發表於 2012-1-7 19:45:33 | 顯示全部樓層
月球o既野,點樣飛落來嫁
回覆 讚好 不讚 使用道具

舉報

48

主題

319

回帖

100

積分

初級會員

積分
100

「友誼大使」勳章

發表於 2012-1-14 12:27:10 | 顯示全部樓層
多谢师兄分享,内容丰富,实在令我大开眼界

討論

無聊: 5.0
無聊: 5
請勿再作出無意義之回覆發表於 2012-1-14 12:48
信任 就是有一天你拿枪指着我 枪响后 我也相信只是抢走火而已
回覆 讚好 不讚 使用道具

舉報

您需要登錄後才可以回帖 登錄 | 註冊

本版積分規則

Archiver|聯絡我們|141華人社區

GMT+8, 2025-11-29 20:12

Powered by Discuz! X3.5

© 2001-2025 Discuz! Team.

快速回覆 返回頂部 返回列表